Avantco 178 Page 16

Workshop Manuals
2.5 Three door refrigerator: SS3RHC
2.6 Three door freezer: SS3FHC

Contents Summary of Avantco 178

  • Page 1COMMERCIAL REACH-IN REFRIGERATOR & FREEZER SERVICE MANUAL FOR USE BY QUALIFIED SERVICE TECHNICIANS REACH-IN MODELS: A Series: SS Series: 178A19FHC 178SS1F2HC 178A19RHC 178SS1FHC 178A23FHC 178SS1R2HC 178A23RHC 178SS1RGHC 178A49FHC 178SS1RHC 178A49RHC 178SS2F4HC 178SS2FHC 178SS2R4HC 178SS2RGHC 178SS2R
  • Page 2Warning DANGER - RISK OF FIRE OR EXPLOSION. FLAMMABLE REFRIGERANT USED. TO BE REPAIRED ONLY BY TRAINED SERVICE PERSONNEL. DO NOT PUNCTURE REFRIGERANT TUBING. PELIGRO - RIESGO DE INCENDIO O EXPLOSION. REFRIGERANTE INFLAMABLE UTILIZADO. PARA SER REPARADO SOLAMENTE POR PERSONAL DE SERVICIO CALIFICADO.
  • Page 3TABLE OF CONTENTS 1. EXPLODED VIEW AND PARTS LIST 1.1 SS1HC series 1 1.2 SS2HC series 2 1.3 SS3HC series 3 1.4 A19HC & A23HC series 4 1.5 A49HC series 5 2. WIRING DIAGRAM 2.1 One door refrigerators: SS1RHC/SS1RGHC/A19RHC/A23RHC 6-7 2.2 One door freezers: SS1FHC/A19FHC/A23FHC 8-9 2.3 Two door refrige
  • Page 41. EXPLODED VIEW AND PARTS LIST 1.1 SS1HC series PARTS LIST: ★★ - Consult Factory 1 CABINET 28 LOCK: 17813009 2 CONTROL PANEL: 17812900 29 4" CASTER WITH BRAKE: 17816412 3 FRONT GRILL: 17814693 (1R/1F) 30 4" CASTER: 17819301 4 UPPER RIGHT HINGE: 178HINGCFDTR (1R/1F) 178HNGCFDGTR (1RG) 31 DRAIN PLUG
  • Page 51.2 SS2HC series PARTS LIST: ★★ - Consult Factory 1 CABINET 31 DOOR SWITCH: 17817409 2 CONTROL PANEL: 17812901 32 BACK GRILL ★★ 3 FRONT GRILL:17814694 33 COMPONENTS FOR BACK SHELF ★★ 4 RIGHT DOOR: 17818905 (2R/2F) 17817564 (2RG) 34 4" CASTER WITH BRAKE: 17816412 5 GASKET: 178GSKT10521 (2R/2F) 178GSK
  • Page 61.3 SS3HC series PARTS LIST: ★★ - Consult Factory 1 CABINET 32 LOCK: 17813009 2 CONTROL PANEL: 17812092 33 DOOR SWITCH: 17817409 3 FRONT GRILL: 17814695 34 BACK GRILL ★★ 4 RIGHT DOOR: 17818905 35 COMPONENTS FOR BACK SHELF ★★ 5 GASKET: 178GSKT10521 36 4" CASTER WITH BRAKE: 17816412 6 UPPER RIGHT HING
  • Page 71.4 A19HC & A23HC series PARTS LIST: ★★ - Consult Factory 1 CABINET 35 COMPRESSOR UNIT INSTALLATION BOARD: N/A 2/3 (2) CONTROL PANEL (3) CONTROL PANEL MOUNTS ★★ 36 COMPRESSOR: 17812317 (A19R/23R) 17816586 (A19F/23F) 4 FRONT GRILL: 17814693 37/38 (37) STARTER (38) OVERLOAD PROTECTOR ★★ 5 UPPER RIGHT
  • Page 81.5 A49HC series PARTS LIST: ★★ - Consult Factory 1 CABINET 34 LEFT TRACK FOR ASSEMBLING PANEL ★★ 2 CONTROL PANEL ★★ 35 RIGHT TRACK FOR ASSEMBLING PANEL★★ 3 FRONT GRILL:17814694 36 COMPRESSOR UNIT INSTALLATION BOARD: N/A 4 RIGHT DOOR: 17815678 (reversible) 37 COMPRESSOR: 17812325 (49R) 17816583 (49F
  • Page 92. WIRING DIAGRAMS 2.1 One door refrigerators: SS1RHC/SS1RGHC/A19RHC/A23RHC 6
  • Page 10
  • Page 112.2 One door freezers: SS1FHC/A19FHC/A23FHC 8
  • Page 12
  • Page 132.3 Two door refrigerators: SS2RHC/SS2RGHC/A49RHC 10
  • Page 141
  • Page 152.4 Two door freezers: SS2FHC/A49FHC 12
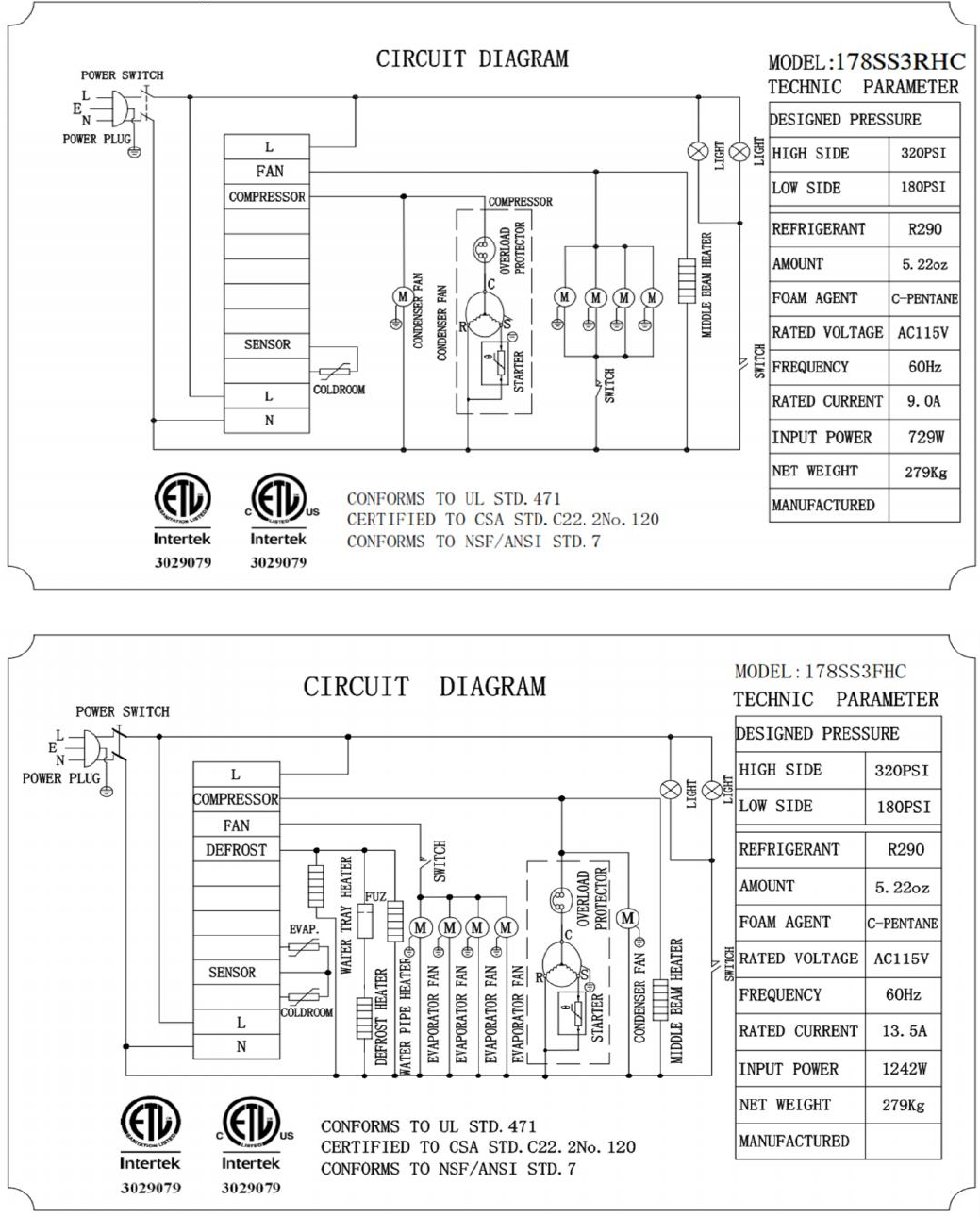
  • Page 162.5 Three door refrigerator: SS3RHC 2.6 Three door freezer: SS3FHC 13
  • Page 173. PART DETAILS 3.1 Control Panel 3.2 Door 3.3 Shelf, Shelf Rails & Brackets 14
  • Page 183.4 Hinges Upper Hinges Bottom Hinges Hinge Comparison 15
  • Page 193.5 Refrigeration System 16
  • Page 203.6 Cooling System Freezers only: Defrost Heater, Inner Drain Pan Heater, Drain Hose Heater & Defrost Sensor 17
  • Page 214. CONTROLLER INSTRUCTIONS 4.1 Refrigerator Controller Digital Controller Model: PZGX Display and Functions During normal operation, the controller displays the value of the probe set using parameter/4(= 1 ambient probe, default, = 2 second probe, =3 third probe). In addition, the display has LEDS t
  • Page 22Additional Controller Instructions Setting the set point (desired temperature value) 1. Press SET for 1 second, the set temperature will start flashing after a few moments; 2. To increase or decrese the temperarture, use the UP or DOWN button; 3. Press SET to confirm new temperature. Switching the d
  • Page 234.2 Freezer Controller Digital Controller Model: IR33 Signals on the display The blinking status indicates a request for activation that cannot be implemented until the end of the corresponding delay times. 20
  • Page 242
  • Page 252
  • Page 264.2 Correct Settings for Carel Controllers 23
  • Page 275. MAIN PARTS - REPLACEMENT INSTRUCTIONS CAUTION!! Before beginning, see that the unit has been disconnected from the power supply (pull the power plug) and that the unit has had time to cool down. 5.1 Control Panel Components - Control Panel - Controller - Power Switch - Door Switch - Lock Assembly
  • Page 285.2 Door, Hinges, and Gaskets A. Disassemble the control panel as described above. B. Remove the screws located on each side of the front grill and remove. C. Remove the top hinge * Note: Make sure when removing the last screw that you are firmly holding onto the door. You can replace the top hinge
  • Page 29D. Remove the bottom hinge. CAUTION!! When removing the hinges, the door should be supported by another person to avoid injury. E. Once the top and bottom hinges have been removed, you may remove the door and replace the top/bottom hinges, spring loaded hinge and door. F. To reassemble the door, rev
  • Page 305.3 Field Reversible Doors (Solid One Door Models Only) Please note: It is recommended to have a second person when reversing doors. Parts Needed: • 178CFD1KITFR hinge kit (SS Series) which includes the following parts: ◦ Part# 178HINGCFDTL: Top Left Hinge Bracket ◦ Part# 178HINGCFDBL: Bottom Left P
  • Page 31D. Place the spacer onto the bottom hinge and place the door onto the spacer. Once the door is on the bottom hinge correctly, close the door. E. Set the top hinge the same way you set the bottom. Once the hinge is set properly, install the top hinge on the left side. F. Once the top hinge has been i
  • Page 325.4 Refrigeration System - Compressor & Compressor Components - Condenser Coil - Condenser Fan Motor, Blade and Cover - Outer Drain Pan - Filter Drier A. Remove the screws located on both sides of the front grill and set the grill aside. B. Remove the screw used to mount the condensing unit's instal
  • Page 335.5 Cooling System - Evaporator Cover, Evaporator Coil, and Temperature Sensor - Evaporator Fan Motors and Fan Covers - Evaporator Drain Pan - Defrost Heater, Drain Pan Heater, Drain Line Heater and Defrost Sensor (Freezer Models Only) A. To replace the evaporator fan motor cover, remove the 4 screw
  • Page 34C. Evaporator components are as pictured: Refrigerator Models: Freezer Models: D. Remove the screws located on the fan motor installation board and the temperature sensor mount to replace the fan motors or temperature sensor. E. Remove the screws located on each side of the evaporator drain pan and
  • Page 35F. Photo of the evaporator coil once the evaporator fan motor and drain pan have been removed. (Freezer Models Only) G. In order to replace the defrost heater and temperature sensor, the control panel must also be disassembled. Once disassembled, cue the metal pins used to mount the defrost heater.
  • Page 365.6 Other - Lamp Components - Power Cord, Back Grill, and AC Contactor - Shelf and Shelf Rail Components Lamp Components: A. Remove the screws used to mount the lamp components and replace. Power Cord, Back Grill, and AC Contactor: A. Remove the screws located on each side of the back grill. B. Remo
  • Page 37C. Remove the screw used to mount the AC Contactor and replace. (Model SS3FHC Only) CAUTION!! When replacing the AC Contactor, make sure the unit is unplugged to prevent electrical shock. Shelf and Shelf Rail Components: A. Slide the shelf towards you in order to replace or clean the shelving. You w
  • Page 38C. Lift up on the front bracket (channel) to replace or clean. (SS Series Only) D. Remove the screws used to mount the back component in order to replace the back bracket (channel). (SS Series Only) E. Assemble the bracket (channel) by lining up the screw with the mounting bracket and pushing down o
  • Page 39F. Install the shelf rails by lining up the clips on the rail with the holes on the bracket and pushing down. (SS Series Only) 36
  • Page 406. CLEANING AND MAINTENANCE 6.1 Cleaning CAUTION!! Prior to cleaning, ensure the unit is unplugged. A. Clean the exterior and interior of the cabinet with a damp and soft cloth. Dry and polish the cabinet with a soft and dry cloth. ▪ recommends Noble Chemicals Excel Stainless Steel Cleaner/Metal Pol
  • Page 416.2 Maintenance A. It is recommended that you clean the exterior, interior, and condenser coil on a monthly basis. B. Check the main power cord for damage regularly. Never operate the unit if the cord is damaged. C. In case of damage or malfunction, please contact our Customer Service Center at 1-80