Sharp Sj P58M Gy Page 15

Workshop Manuals
14
SJ-P58M/58M
SJ-P63M/63M
SJ-P68M/68M
F
i
g
u
r
e
W
-
5
.
C
i
r
c
u
i
t
D
i
a
g
r
a
m
(
O
n
l
y
f
o
r
S
J
-
P
5
8
M
,
P
6
3
M
,
P
6
8
M
)
1
2
3
4
5
6
7
8
9
1
0
1
1
1
2
1
3
1
.
R
e
s
i
s
t
a
n
c
e
w
h
i
c
h
i
s
n
o
t
s
p
e
c
i
f
i
e
d
:
5
%
1
/
8
W
2
.
R
a
t
e
d
v
o
l
t
a
g
e
o
f
t
h
e
c
o
n
d
e
n
s
e
r
w
h
i
c
h
i
s
n
o
t
s
p
e
c
i
f
i
e
d
:
2
5
V
[
N
O
T
E
]
5
3
7
1
1
1
3
2
2
1
3
2
C
N
1
C
N
3
C
N
2
C
N
4
S
W
2
A
2
A
F
-
F
M
P
C
(
P
A
N
E
L
P
W
B
)
(
M
A
I
N
P
W
B
)
(
A
/
D
)
D
5
D
4
R
1
R
2
R
3
R
5
2
.
2
K
R
2
1
(
1
/
2
W
)
6
8
0
C
7
0
.
1
µ
R
4
1
0
K
R
7
1
K
R
1
2
2
.
2
K
R
1
0
2
.
2
K
R
8
1
0
K
4
.
7
K
R
2
0
1
M
R
6
R
S
1
R
S
2
R
S
3
R
1
8
1
0
K
R
1
4
1
K
R
1
6
1
0
K
R
1
7
(
1
/
2
W
)
1
.
8
R
1
1
1
K
R
9
1
K
R
1
3
4
.
7
K
R
1
5
4
.
7
K
P
C
1
P
C
1
2
3
C
F
1
C
S
T
4
.
0
0
M
G
W
T
M
P
4
7
C
2
4
1
N
I
N
P
U
T
V
O
L
T
A
G
E
D
6
D
3
V
R
S
1
C
1
3
0
.
1
µ
C
1
5
1
0
0
µ
1
0
V
C
1
0
1
µ
5
0
V
C
9
0
.
1
µ
V
R
S
2
Q
7
K
R
A
1
0
1
M
Q
5
K
R
A
1
0
1
M
Q
4
K
R
C
1
0
1
M
Q
3
K
T
A
1
0
4
6
Q
6
K
R
A
1
0
1
M
Q
1
K
R
A
1
0
1
M
Q
2
K
R
C
1
0
1
M
C
2
2
2
0
0
µ
3
5
V
R
1
9
O
P
E
N
C
1
6
0
.
1
µ
C
1
8
0
.
1
µ
C
1
9
1
0
0
0
µ
2
5
V
C
8
0
.
1
µ
C
6
0
.
1
µ
C
4
0
.
1
µ
C
2
0
1
0
0
µ
1
0
V
C
1
7
1
0
0
µ
1
0
V
1
2
V
1
2
V
1
2
V
5
V
G
I
I
O
O
G
H
S
I
C
2
I
C
1
I
C
4
7
8
1
2
7
8
0
5
C
3
0
.
1
µ
5
0
V
T
R
N
S
I
N
4
0
0
5
E
P
S
T
9
9
3
E
I
C
3
D
1
I
N
4
0
0
7
E
D
2
I
S
S
2
7
0
A
D
7
I
S
S
2
7
0
A
Z
D
1
L
E
D
1
C
1
0
.
1
µ
C
1
1
0
.
1
µ
C
1
2
0
.
1
µ
C
5
1
µ
5
0
V
1
3
2
V
A
R
E
F
R
4
0
(
A
I
N
O
)
R
4
1
(
A
I
N
1
)
R
4
2
(
A
I
N
2
)
R
4
3
(
A
I
N
3
)
R
7
1
(
W
T
0
)
R
8
0
(
I
N
T
2
)
R
8
1
(
T
2
)
R
8
2
(
I
N
T
1
)
P
1
0
P
1
1
P
1
2
P
1
3
V
S
S
V
D
D
K
0
3
K
0
2
K
0
1
K
0
0
H
O
L
D
R
E
S
E
T
X
O
U
X
I
N
T
E
S
T
R
9
2
R
9
1
R
9
0
P
2
0
2
2
0
2
4
0
V
1
2
0
V
1
1
0
1
2
0
V
R
S
1
,
2
,
3
=
4
3
K
(
1
/
2
W
)
,
R
S
3
=
O
P
E
N
,
V
R
S
1
,
2
=
5
6
0
V
R
S
1
,
2
,
3
=
1
8
K
(
1
/
2
W
)
,
R
S
3
=
1
0
K
(
1
/
8
W
)
,
V
R
S
1
,
2
=
2
7
0
V
R
S
1
,
2
,
3
=
1
8
K
(
1
/
2
W
)
,
R
S
3
=
S
H
O
R
T
,
V
R
S
1
,
2
=
2
7
0
V
2
5
0
V
P
C
:
P
L
A
S
M
A
C
L
U
S
T
E
R
U
N
I
T
(
I
O
N
I
Z
E
R
-
K
)

Contents Summary of Sharp Sj P58M Gy

  • Page 1SJ-P58M/58M SJ-P63M/63M SJ-P68M/68M SERVICE MANUAL S5310SE68CPUE Plasmacluster lasmacluster REFRIGERATOR-FREEZER MODELS SJ-P58M-GY/SL/WH SJ-58M-GY/SL/WH SJ-P63M-GY/SL/WH SJ-63M-GY/SL/WH SJ-P68M-GY/SL/WH SJ-68M-GY/SL/WH SJ-P58M SJ-58M In the interests of user-safety (Required by safety regulations r
  • Page 2
  • Page 3SJ-P58M/58M SJ-P63M/63M SJ-P68M/68M ENERGY LABEL Usage of "the ENERGY LABEL" When displaying this refrigerator in the shop-window, attach the "ENERGY LABEL" to it in the following procedure. E Fix the data part of "ENERGY LABEL (DATA)" on the data part of "ENERGY LABEL (BASE)" G "ENERGY LABEL (DATA)
  • Page 4SJ-P58M/58M SJ-P63M/63M SJ-P68M/68M CAUTIONS AND INFORMATIONS In case of following troubles, the cause is not related with the failure of refrigerator. Please mention the correct way to the customer for the use of refrigerator when the repairing. 1. Some foods freezed in the refrigerator compartment
  • Page 5SJ-P58M/58M SJ-P63M/63M SJ-P68M/68M SPECIFICATIONS Ite m s SJ-P58M SJ-58M SJ-P63M SJ-63M SJ-P68M SJ-68M Type 2-Door 2-Door 2-Door Outer dimensions Height 1 6 2 0 m m ( 6 3 .8 ") 1720mm(67.7") 1820mm(71.6") (Including spacer) Width 7 6 0 m m ( 2 9 .9 ") 760mm(29.9") 760mm(29.9") De p t h 740mm(29.1")
  • Page 6SJ-P58M/58M SJ-P63M/63M SJ-P68M/68M DESIGNATION OF VARIOUS PARTS The names in parenthesis" [ ]" are the denominations used in the REPLACEMENT PARTS LIST. 1. Freezer light [Lamp] 2. Freezer fan 3. Freezer shelf [F shelf ass'y] 4. Ice cube maker 5. Ice cube box [Ice storage box] 1 6. Deodorizing unit
  • Page 7SJ-P58M/58M SJ-P63M/63M SJ-P68M/68M THE FICHE (according to ANNEX : 94/2/EC) NO. Items Description Remarks 1 Trade mark 2 Model name SJ-P58M/58M SJ-P63M/63M SJ-P68M/68M 3 Type Category; 7 Category; 7 Category; 7 Refrigerator/Freezer Refrigerator/Freezer Refrigerator/Freezer 4 Energy efficiency class
  • Page 8SJ-P58M/58M SJ-P63M/63M SJ-P68M/68M LIST OF ELECTRICAL PARTS ITEMS TYPE NAME RATING SPECIFICATIONS Thermostat MM1-8123 125V 6A (At normal notch) 250V 3A ON/OFF : -19/-24˚C Defrost thermostat S101 250V 8A Open/Close : 10/1˚C Thermo. fuse SF70E 250V 10A Working temp. : 70˚C F-fan motor 3R00044B 220-24
  • Page 9SJ-P58M/58M SJ-P63M/63M SJ-P68M/68M DIMENSIONS OUTER DIMENSIONS AND CLEARANCE more than 60 more than more than 1 760 more than 740 60 60 90 760 3 5 5 5 . 9 0 0 2 8 A 4 4 135 1 1 B 2 1 520 5 . 5 . 0 2 1340 6 7 ( Unit : mm) SJ-P58M,58M SJ-P63M,63M SJ-P68M,68M A 1620 1720 1820 B 979 1079 1179 1 Include
  • Page 10SJ-P58M/58M SJ-P63M/63M SJ-P68M/68M INNER DIMENSIONS 587 90 4 7 1 294 603 450 4 587 90 6 2 630 110 615 5 2 177 355 1 285 110 615 b 615 310 c a 607 133 310 615 d 615 335 607 133 2 4 600 2 227 ( Unit : mm) SJ-P58M,58M SJ-P63M,63M a 466 566 b 180 180 c 135 185 d 121 171 The dimensions between shelves c
  • Page 11SJ-P58M/58M SJ-P63M/63M SJ-P68M/68M WIRING DIAGRAM Be sure to replace the electrical parts with specified ones for maintaining the safety and performance of the set. G : GRAY BR : BROWN (Live) OR : ORANGE Y : YELLOW R : RED CONNECTED IN TERMINAL BOX P : PINK B : BLUE (Neutral) CONNECTOR BK : BLACK S
  • Page 12SJ-P58M/58M SJ-P63M/63M SJ-P68M/68M G : GRAY BR : BROWN (Live) OR : ORANGE Y : YELLOW R : RED CONNECTED IN TERMINAL BOX P : PINK B : BLUE (Neutral) CONNECTOR BK : BLACK SB : SKY-BLUE G-Y : GREEN-YELLOW (Earth) W : WHITE DEF. TIMER (Br) R- THERMOSTAT TM (G) R-FM LAMP HEATER R 3PIN L F FM PLUG/ F-LAMP
  • Page 13SJ-P58M/58M SJ-P63M/63M SJ-P68M/68M R O O D- TI F N U 3 R 2 E L T 1 E B S ) N U K- A W L P P C R S A E S M ZI E S N N A R L IO( A P H R O O 1 2 D S 1 2 S E N U R P A H S R S 1 2 3 1 2 E E N X T R O S A B 1 2 3 1 2 U H L L S C R A S E IN E N T S U M R ) R A L E T M H C 8 B A 6 C ,P M 3 1 2 3 1 2 6 NI
  • Page 14SJ-P58M/58M SJ-P63M/63M SJ-P68M/68M ) M 8 6, R M O 3 S S E 6, R P M M 8 O C 5- J E C M A Y S( U R t R A 'Y L L B- O E E u T S C R V S Y E G O A K o T NI S O T C T y R E P R A L 1 A a T NI S Y IN L B A A R M C G R E T s 1 2 ier E U E U o L B L B s s H e T R c A E c 1 N 2 D R A W O N O ci R B W O R C
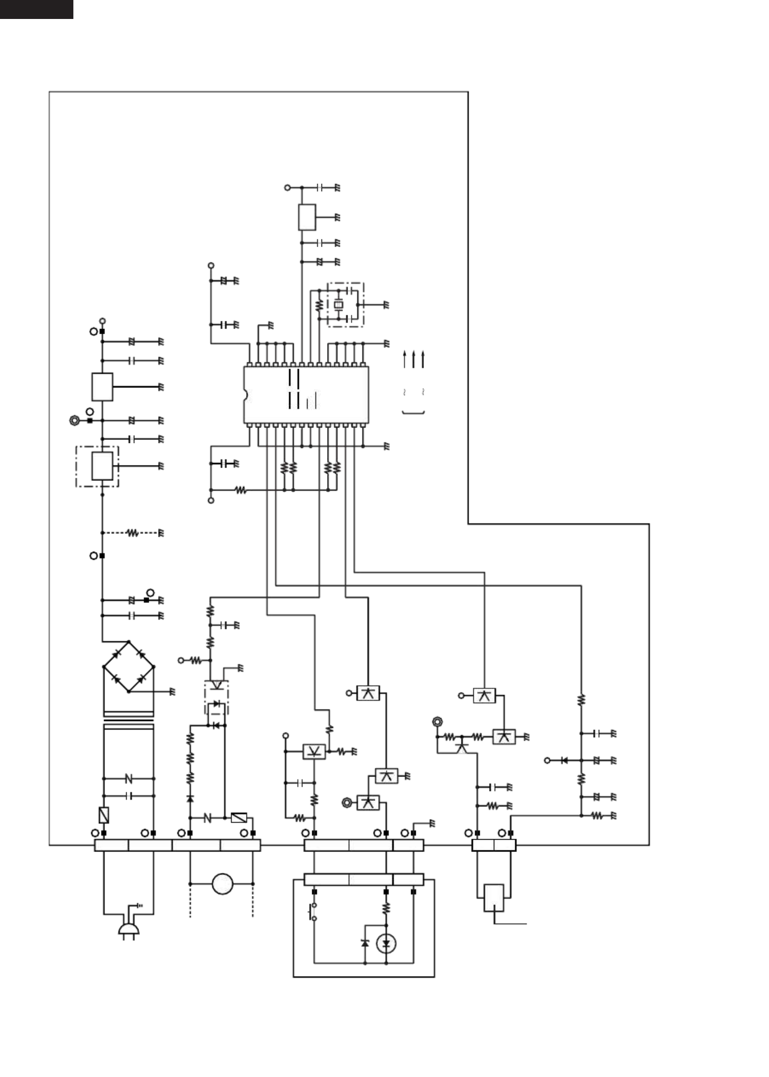
  • Page 15SJ-P58M/58M SJ-P63M/63M SJ-P68M/68M µ 4 1. V V V C 0 0 0 0 6 7 7 5 2 2 = = = ,2 ,2 ,2 1 1 1 E S S S 3 9 1 R R R V 9 3 2 V V V 5 T CI ,) 2 S P 3 6 µ .1 W , : C 0 , /8 T d N 1( R E K O ief P 0 H i W O 1 S c G = = = e 0 µ 0 V 3 3 3 p 2 0 0 5 M S S S s C 1 1 µ V 0 R R R W t C 1 0 .0 o 5 4 ,) ,) ,) /8 n
  • Page 16SJ-P58M/58M SJ-P63M/63M SJ-P68M/68M FUNCTIONS 1. ADJUSTABLE TEMPERATURE CONTROL (1) Temperature control of freezer Thermostat (senses freezer temperature) operates on ON/OFF switchover to control the compressor and cool air circulating fan (F-fan motor) , and allows the freezer temperature to keep a
  • Page 17SJ-P58M/58M SJ-P63M/63M SJ-P68M/68M 2. DEFROSTING (1) No defrosting operation is necessary (2) Where is melted frost brought No defrosting operation is necessary. 1. Melted frost is brought into the evaporating As this machine is so designed that a built-in pan at the bottom of the set and is evapor
  • Page 18SJ-P58M/58M SJ-P63M/63M SJ-P68M/68M (4) As a reference to determine the causes of trouble, malfunction and phenomena are described below. Refer to the following when repairing. 1. Disconnection of defrost heater As off-cycle defrosting is performed, the defrosting time is extremely prolonged. Each t
  • Page 19SJ-P58M/58M SJ-P63M/63M SJ-P68M/68M 5. PLASMACLUSTER (Only for SJ-P58M,P63M,P68M) (1) Plasmacluster is what thing. The ionizer inside the refrigerator will release cluster ions, which are collective mass of positive and negative ions, into the the freezer and refrigertor compartments. The cluster io
  • Page 20SJ-P58M/58M SJ-P63M/63M SJ-P68M/68M ASSEMBLING PROCEDURES OF MAIN PARTS AND CAUTIONS CAUTION: DISCONNECT THE UNIT FROM THE POWER SUPPLY BEFORE ANY REPAIRING. 1. R-CONTROL COV. ASSEMBLY Damper thermo. RA sealer A R air guider A Defrost timer Plasma harness Plasma holder RA sealer C R fan thermo. ass'
  • Page 21SJ-P58M/58M SJ-P63M/63M SJ-P68M/68M (2) Sticking of sealers to R air guider A. [Front side] [Back side] OVERLAP 15mm RA sealer A OVERLAP 15mm Dial sealer RA sealer A RA sealer A RA sealer B RA sealer C RA sealer A [Bottom side] RA sealer A RA sealer A Figure A-3 (3) Fixing of the Ionizer-K.(Only for
  • Page 22SJ-P58M/58M SJ-P63M/63M SJ-P68M/68M (4) Fixing of Defrost timer, R fan thermo. ass'y cover to R-C box cover. R fan thermo ass’y R-C box cover Nylon band Defrost timer G Cut m G m R fan thermo. 5 + 0 1 ass’y Nylon band Fan cover SEC. G-G Figure A-5 2. R LAMP BOX ASSEMBLY R fan motor holder B R-fan mo
  • Page 23SJ-P58M/58M SJ-P63M/63M SJ-P68M/68M (1) Fixing of Lamp and Lamp socket. (1)-1 Screw Lamp 15W into Lamp socket. (2)-4 Set Fan clamp to Propeller fan 80 and insert it (1)-2 Fix Lamp socket on R lamp box by tapping to the shaft of R-fan motor. screws. Tapping screw F Lamp socket Fan clamp ALUMINUM TAPE
  • Page 24SJ-P58M/58M SJ-P63M/63M SJ-P68M/68M 3. E.V COVER ASSEMBLY Motor Fan motor U-sealer cushion handle Propeller Fan 100 E.V cover sealer A Fan motor holder B Defrost thermo. ass’y Fan clamp E.V cover L-band C Lead E.V-cover Fan motor ass’y holder A E.V cover sealer B E.V cover sealer C Fuse ass’y F-ther
  • Page 25SJ-P58M/58M SJ-P63M/63M SJ-P68M/68M (2) Fixing of Fan motor and Fan (2)-1 Stick U-sealer handle to Fan motor holder A. Fan motor holder A C m m 2 + 7 0 + 1mm U-sealer handle C U-sealer handle SEC. C-C Figure A-14 (2)-2 Insert the terminals of Lead EV-cover ass'y to R-fan motor. Fan motor (2)-3 Fix t
  • Page 26SJ-P58M/58M SJ-P63M/63M SJ-P68M/68M (3) Setting of Fan motor ass'y , Defrost thermo. ass'y and Fuse ass'y E.V cover Tapping screw E.V cover sealer C L-band C E Lead E.V- cover ass’y Defrost thermo. ass’y Tapping E more than more than Aluminum 3.5mm 3.5mm screw tape Set metal side below [FRONT SIDE]
  • Page 27SJ-P58M/58M SJ-P63M/63M SJ-P68M/68M (5) Setting of F-thermostat (5)-1 Form capillary tube of F-thermostat. m m 0 2 R10mm R10mm m m 0 3 Note 2 • Bending radius of capillary tube should be from R5mm to R10mm. 13mm 42mm 20mm Figure A-20 (5)-2 Insert terminal of Lead EV-cover ass'y. RED (front side) BRO
  • Page 28SJ-P58M/58M SJ-P63M/63M SJ-P68M/68M COOLING UNIT Mark: Refrigerant flow Mark: Brazing portion Hot pipe L Hot pipe Hot pipe R (Side condenser) (DP-condenser) (Side condenser) Back condenser Evaporator Suction pipe Sub. condenser Compressor Capillary tube Dryer Figure C-1. Cooling unit 27
  • Page 29SJ-P58M/58M SJ-P63M/63M SJ-P68M/68M Dryer Capillary tube Charge pipe Hot pipe Back condenser Evaporator Backcon connector Charge pipe Connector pipe Compressor Suction pipe S.P. connector Sub. condenser Figure C-2. Location Suction pipe ass'y to Back condenser to S.P connector Backcon connector Back
  • Page 30SJ-P58M/58M SJ-P63M/63M SJ-P68M/68M REPLACEMENT PARTS LIST (SJ-P58M-GY/SL/WH,SJ-58M-GY/SL/WH) REF. NO. PART NO. DESCRIPTION Q'TY CODE SJ-P58M SJ-P58M SJ-P58M SJ-58M SJ-58M SJ-58M -GY -SL -WH -GY -SL -WH ELECTRIC PARTS 1-1 RTHM-A097CBEZ F-thermostat 1 1 1 1 1 1 AX 1-2 RSTT-A138CBE0 Starting relay 1 1
  • Page 31SJ-P58M/58M SJ-P63M/63M SJ-P68M/68M REF. NO. PART NO. DESCRIPTION Q'TY CODE SJ-P58M SJ-P58M SJ-P58M SJ-58M SJ-58M SJ-58M -GY -SL -WH -GY -SL -WH 2-51 PBOX-A121CBFA F lamp box 1 1 1 1 1 1 AF 2-52 PBOX-A122CBFA R lamp box 1 1 1 1 1 1 AM 2-53 LHLD-A536CBFA R fan motor holder a 1 1 1 1 1 1 AF 2-54 LHLD-
  • Page 32SJ-P58M/58M SJ-P63M/63M SJ-P68M/68M REF. NO. PART NO. DESCRIPTION Q'TY CODE SJ-P58M SJ-P58M SJ-P58M SJ-58M SJ-58M SJ-58M -GY -SL -WH -GY -SL -WH OTHER PARTS 4-1 LBND-A023CBE0 L-band c 4 4 4 4 4 4 AC 4-3 LX-VZA003CBE0 Special screw 2 2 2 2 2 2 AB 4-10 QTAN-A013CBE0 Solderless term. a 8 8 8 4 4 4 AH 4
  • Page 33SJ-P58M/58M SJ-P63M/63M SJ-P68M/68M REF. NO. PART NO. DESCRIPTION Q'TY CODE SJ-P58M SJ-P58M SJ-P58M SJ-58M SJ-58M SJ-58M -GY -SL -WH -GY -SL -WH MISCELLANEOUS 90-1 TINS-A574CBRZ Operation manual 1 1 1 1 1 1 AK 90-2 TLAB-A092CBR0 Lamp label 1 1 1 1 1 1 AD 90-3 SPAKCJ313YDZZ Packing case 58m 1 1 1 1 1
  • Page 34SJ-P58M/58M SJ-P63M/63M SJ-P68M/68M REPLACEMENT PARTS LIST (SJ-P63M-GY/SL/WH,SJ-63M-GY/SL/WH) REF. NO. PART NO. DESCRIPTION Q'TY CODE SJ-P63M SJ-P63M SJ-P63M SJ-63M SJ-63M SJ-63M -GY -SL -WH -GY -SL -WH ELECTRIC PARTS 1-1 RTHM-A097CBEZ F-thermostat 1 1 1 1 1 1 AX 1-2 RSTT-A138CBE0 Starting relay 1 1
  • Page 35SJ-P58M/58M SJ-P63M/63M SJ-P68M/68M REF. NO. PART NO. DESCRIPTION Q'TY CODE SJ-P63M SJ-P63M SJ-P63M SJ-63M SJ-63M SJ-63M -GY -SL -WH -GY -SL -WH 2-51 PBOX-A121CBFA F lamp box 1 1 1 1 1 1 AF 2-52 PBOX-A122CBFA R lamp box 1 1 1 1 1 1 AM 2-53 LHLD-A536CBFA R fan motor holder a 1 1 1 1 1 1 AF 2-54 LHLD-
  • Page 36SJ-P58M/58M SJ-P63M/63M SJ-P68M/68M REF. NO. PART NO. DESCRIPTION Q'TY CODE SJ-P63M SJ-P63M SJ-P63M SJ-63M SJ-63M SJ-63M -GY -SL -WH -GY -SL -WH 3-31 HBDG-A004CBEA Pc badge 1 1 1 - - - AG OTHER PARTS 4-1 LBND-A023CBE0 L-band c 4 4 4 4 4 4 AC 4-3 LX-VZA003CBE0 Special screw 2 2 2 2 2 2 AB 4-10 QTAN-A
  • Page 37SJ-P58M/58M SJ-P63M/63M SJ-P68M/68M REF. NO. PART NO. DESCRIPTION Q'TY CODE SJ-P63M SJ-P63M SJ-P63M SJ-63M SJ-63M SJ-63M -GY -SL -WH -GY -SL -WH MISCELLANEOUS 90-1 TINS-A574CBRZ Operation manual 1 1 1 1 1 1 AK 90-2 TLAB-A092CBR0 Lamp label 1 1 1 1 1 1 AD 90-3 SPAKCJ312YDZZ Packing case 63m 1 1 1 1 1
  • Page 38SJ-P58M/58M SJ-P63M/63M SJ-P68M/68M REPLACEMENT PARTS LIST (SJ-P68M-GY/SL/WH,SJ-68M-GY/SL/WH) REF. NO. PART NO. DESCRIPTION Q'TY CODE SJ-P68M SJ-P68M SJ-P68M SJ-68M SJ-68M SJ-68M -GY -SL -WH -GY -SL -WH ELECTRIC PARTS 1-1 RTHM-A097CBEZ F-thermostat 1 1 1 1 1 1 AX 1-2 RSTT-A138CBE0 Starting relay 1 1
  • Page 39SJ-P58M/58M SJ-P63M/63M SJ-P68M/68M REF. NO. PART NO. DESCRIPTION Q'TY CODE SJ-P68M SJ-P68M SJ-P68M SJ-68M SJ-68M SJ-68M -GY -SL -WH -GY -SL -WH 2-51 PBOX-A121CBFA F lamp box 1 1 1 1 1 1 AF 2-52 PBOX-A122CBFA R lamp box 1 1 1 1 1 1 AM 2-53 LHLD-A536CBFA R fan motor holder a 1 1 1 1 1 1 AF 2-54 LHLD-
  • Page 40SJ-P58M/58M SJ-P63M/63M SJ-P68M/68M REF. NO. PART NO. DESCRIPTION Q'TY CODE SJ-P68M SJ-P68M SJ-P68M SJ-68M SJ-68M SJ-68M -GY -SL -WH -GY -SL -WH OTHER PARTS 4-1 LBND-A023CBE0 L-band c 4 4 4 4 4 4 AC 4-3 LX-VZA003CBE0 Special screw 2 2 2 2 2 2 AB 4-10 QTAN-A013CBE0 Solderless term. a 8 8 8 4 4 4 AH 4
  • Page 41SJ-P58M/58M SJ-P63M/63M SJ-P68M/68M REF. NO. PART NO. DESCRIPTION Q'TY CODE SJ-P68M SJ-P68M SJ-P68M SJ-68M SJ-68M SJ-68M -GY -SL -WH -GY -SL -WH MISCELLANEOUS 90-1 TINS-A574CBRZ Operation manual 1 1 1 1 1 1 AK 90-2 TLAB-A092CBR0 Lamp label 1 1 1 1 1 1 AD 90-3 SPAKCJ301YDZZ Packing case 68m 1 1 1 1 1
  • Page 42SJ-P58M/58M SJ-P63M/63M SJ-P68M/68M 1 2 3 4 5 6 DOOR PARTS A A SJ-P58M,P63M,P68M SJ-58M,63M,68M 3-6 3-6 3-5 3-5 3-11 3-5-3 B 3-7 B 3-9 3-8 1-55 C C 3-12 2-45 3-31 3-26 3-30 3-25 3-10 3-5-1 3-5-1 3-5-2 3-5-2 3-15 D 3-22 D 3-15-3 5-34 3-19 5-3 3-20 E E 5-36 5-37 3-23 3-21 5-5 F F 3-18 5-4 5-35 3-17 G
  • Page 43SJ-P58M/58M SJ-P63M/63M SJ-P68M/68M 1 2 3 4 5 6 CABINET PARTS A A 5-9 2-29 2-13 B B 5-31 2-10 5-33 2-106 5-6 2-105 2-36 5-17 5-32 2-90 C 2-93 C 5-18 1-10 2-49 2-36 2-49 4-3 2-15 2-12 2-97 2-95 2-96 2-95 2-93 5-19 2-96 D D 2-11 5-14 5-24 2-8 2-14 2-7 2-7-2 2-8-2 E 5-24-1 2-7-1 2-7-1 E 5-24-2 5-26 5-2
  • Page 44SJ-P58M/58M SJ-P63M/63M SJ-P68M/68M 1 2 3 4 5 6 CABINET PARTS A A 2-19 1-6 2-63 2-64 2-19 2-21 2-17 2-16 1-5 4-1 2-65 B 2-20 1-20 B 2-23 2-22 1-17 1-1 2-28 2-59 1-29 2-30 2-69 2-81 C C 1-8 1-32 2-51 2-25 90-2 2-66 2-33 2-34 1-21 1-23 2-2 1-4 2-72 4-10 2-35 2-67 2-78 2-24 D 2-41 D 2-34 6-18 1-46 2-32