
pan at the bottom of the set and is evaporated
here by the heat of sub condenser.
No defrosting operation is necessary.
As this machine is so designed that a built-in
evaporator cools air and a fan circulates cooled
air, neither the freezer nor the refrigerator is
frosted, though the evaporator is frosted.
The frosted evaporator is defrosted automatically
due to the function of defrosting timer and heater,
requiring no defrosting operation.
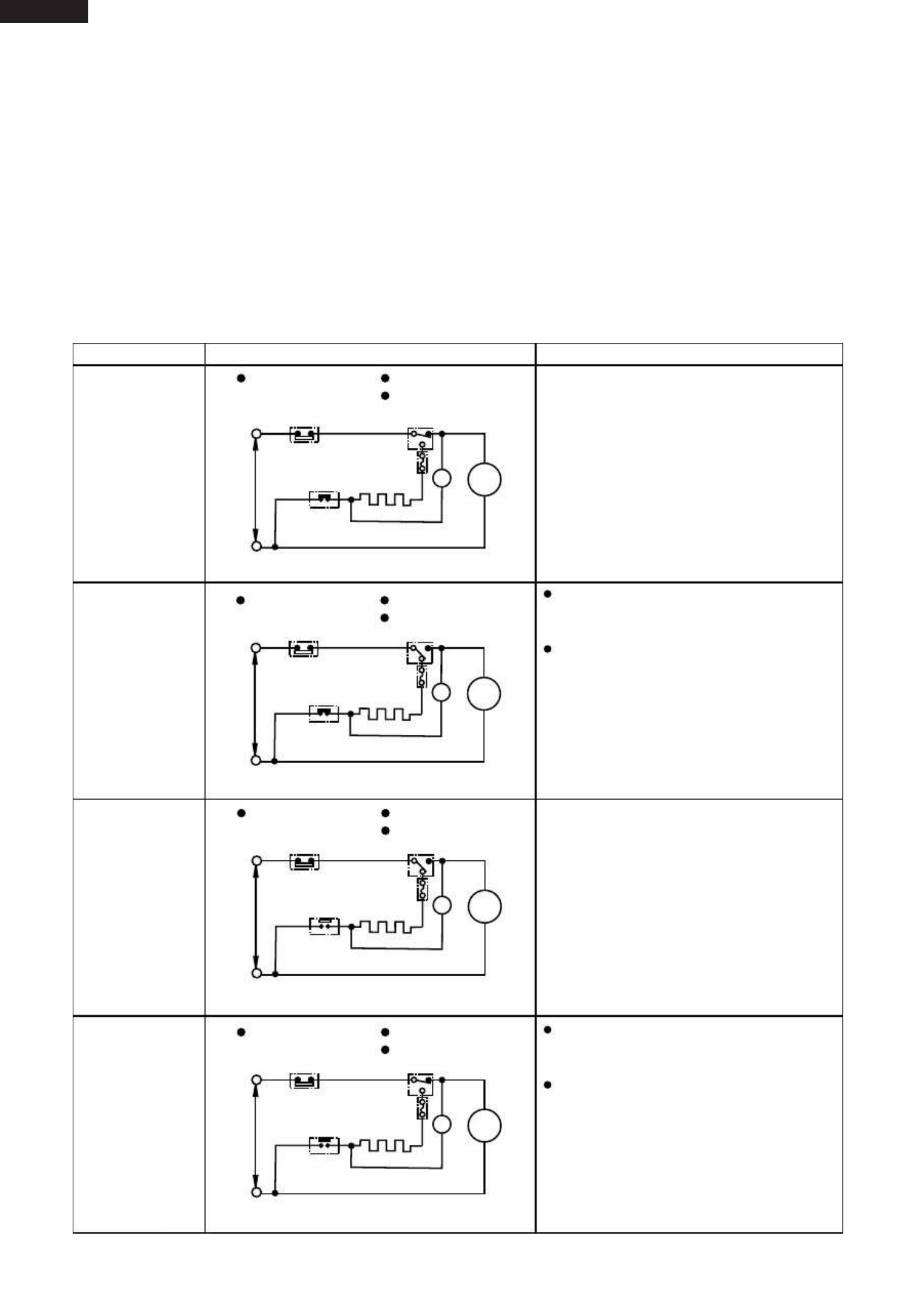
uit diagrams in the table show automa
ion of the refrigerator with
timer and defrost thermostat.
The integration timer integrates running
time of the compressor. When it reaches
cycle time of defrost timer, the timer
contact is changed to start defrosting.
When the defrost thermostat becomes
OFF, the timer motor starts running.
During the operation time (delay time
drained outside the refrigerator.
Timer contact is changed to cooling
operation and the compressor starts
running and the timer motor stops.
Defrost thermostat contact becomes ON
when it’s cooled. And the timer motor
starts running. (Figure F-3.)
The timer contact is changed to start
defrosting, the timer motor stops, and
power is supplied to the defrost heater.
It takes about 20 to 30 min. to
When little frosted, the defrosting takes
little time. When much frosted, the def-